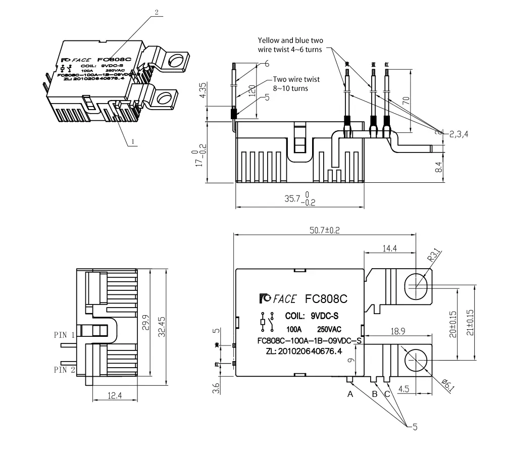
Corrente nominal:100A
Faixa de tensão da unidade:6-48V CC
Temperatura operacional:-40°C a 85°C
Material:plástico isolante de alta qualidade e alta resistência e folha de cobre de cobre bem adaptada e contatos de liga de prata
Dimensões:pode ser personalizado conforme necessário, fornecer desenhos dimensionais detalhados
















